صفحه اصلی / اخبار

اخبار

سازنده زنجیر برگ مواد تشکیل دهنده روان کننده های زنجیره ای را معرفی می کند

سازنده زنجیر برگ مواد تشکیل دهنده روان کننده های زنجیره ای را معرفی می کند

انواع مختلفی از روان کننده های زنجیره ای در بازار وجود دارد. زنجیر برگ سازنده مواد تشکیل دهنده روان کننده های زنجیره ای را معرفی کرد:...

تولید کننده زنجیره صنعتی فرم روانکاری زنجیره را معرفی می کند

تولید کننده زنجیره صنعتی فرم روانکاری زنجیره را معرفی می کند

نوع روغن کاری زنجیر بسته به نحوه استفاده از زنجیر متفاوت خواهد بود. زنجیره صنعتی سازنده معرفی کرد که بیشتر درایوهای زنجیره ای از روان...

تولیدکنندگان زنجیره بی صدا اقدامات احتیاطی برای نصب چرخ دنده را معرفی می کند

تولیدکنندگان زنجیره بی صدا اقدامات احتیاطی برای نصب چرخ دنده را معرفی می کند

زنجیر بی صدا سازندگان معرفی می کنند که هنگام نصب چرخ دنده به چه نکاتی باید توجه کرد 1. با توجه به مدل ماشین آلات و تجهیزات صنای...

سازندگان زنجیر موتور سیکلت ویژگی های درایو زنجیر و چرخش دنده را معرفی می کند

سازندگان زنجیر موتور سیکلت ویژگی های درایو زنجیر و چرخش دنده را معرفی می کند

زنجیر موتور سیکلت سازندگان ویژگی های درایو زنجیر و چرخش دنده را معرفی می کنند: 1. ویژگی های درایو زنجیره ای: ① در مقایسه ب...

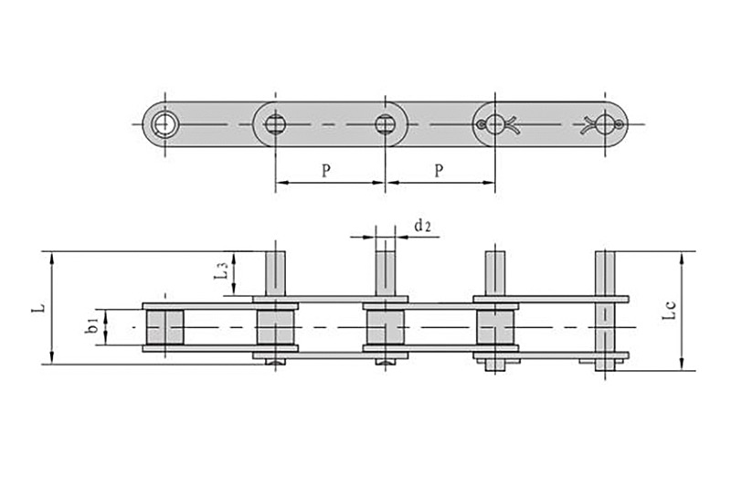
ساختار زنجیره غلتکی

ساختار زنجیره غلتکی

ساختار زنجیر غلتکی : صفحه زنجیر بیرونی و محور پین، صفحه زنجیره داخلی و آستین به ترتیب توسط یک تداخل به هم متصل می شوند. شکا...

تولید کنندگان زنجیر محرک روش های متداول عملیات حرارتی را برای زنجیر آویزان معرفی می کنند

تولید کنندگان زنجیر محرک روش های متداول عملیات حرارتی را برای زنجیر آویزان معرفی می کنند

زنجیره رانندگی سازندگان روش‌های عملیات حرارتی متداول را برای زنجیره‌های تعلیق معرفی می‌کنند: بازپخت، نرمال‌سازی، کوئنچ، تمپر کردن، کربو...

4 علت رایج خوردگی در زنجیره کشاورزی

4 علت رایج خوردگی در زنجیره کشاورزی

اگر زنجیره کشاورزی در طول استفاده معمولی خورده می شود، لازم است دلایل آن تجزیه و تحلیل شود. 1. عدم رعایت دقیق مراحل ضد خورد...

نحوه برخورد صحیح با پدیده لغزش چوب زنجیره انتقال

نحوه برخورد صحیح با پدیده لغزش چوب زنجیره انتقال

اگر زنجیره انتقال چسبنده باشد، باعث قطع مکرر خط تولید، کاهش راندمان کار، خوردگی شدید و عمر کوتاه می شود. زنجیره انتقال روش ها...

فرآیند نگهداری زنجیره نقاله

فرآیند نگهداری زنجیره نقاله

نحوه نگهداری زنجیر نقاله : 1. سفتی زنجیر نقاله فولادی ضد زنگ نباید خیلی سفت یا شل باشد، در غیر این صورت زنجیر نقاله آسیب می ب...

نکات تعمیر و نگهداری چرخ دنده صنعتی

نکات تعمیر و نگهداری چرخ دنده صنعتی

نحوه نگهداری چرخ دنده صنعتی : 1. سفتی زنجیر نباید خیلی سفت یا شل باشد در غیر این صورت زنجیر آسیب می بیند. 2. غیر یونی برای ...

مهارت های خرید زنجیره برگ

مهارت های خرید زنجیره برگ

زنجیر برگ عملکردهای زیادی دارد، بنابراین هنگام خرید زنجیر باید به چه نکاتی توجه کرد؟ 1. بازرسی ظاهری زنجیره: این که آیا ...

فرآیند نگهداری زنجیره صنعتی

فرآیند نگهداری زنجیره صنعتی

فرکانس تمیز کردن زنجیره صنعتی می توان هر چند ماه یکبار، هر بار که زنجیر با آب دریا تماس پیدا کرد یا لکه روغنی آشکاری روی زنجیر وجود د...