صفحه اصلی / اخبار

اخبار

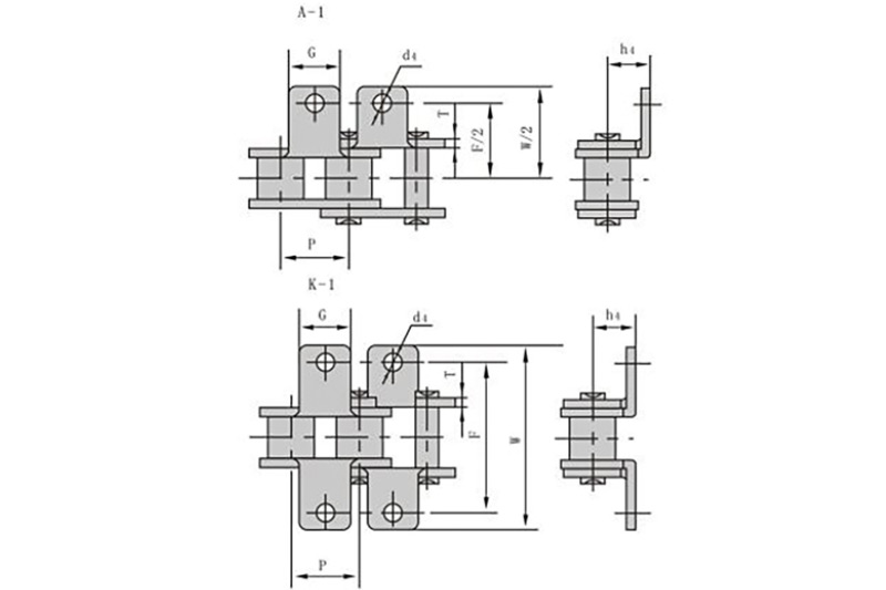
قطعات زنجیره غلتکی چیست؟

قطعات زنجیره غلتکی چیست؟

چه قسمت هایی از زنجیر غلتکی ? 1. محور پین: یک عنصر استوانه ای باریک که به عنوان محور چرخش لولای زنجیره ای استفاده می شود. ...

تولید کنندگان زنجیر درایو رابطه بین زنجیر و چرخ دنده را معرفی می کند

تولید کنندگان زنجیر درایو رابطه بین زنجیر و چرخ دنده را معرفی می کند

زنجیره رانندگی سازندگان معرفی کردند که چرخ دنده توسط یک زنجیر هدایت می شود و واحد مدل به طور کلی به زبان انگلیسی است. یک ردیف، دو ردیف ...

تولید کننده زنجیره کشاورزی، آماده سازی زنجیره را معرفی می کند

تولید کننده زنجیره کشاورزی، آماده سازی زنجیره را معرفی می کند

زنجیره کشاورزی سازنده معرفی می کند که زنجیر باید برای بررسی وجود پیچ در زنجیره قبل از راه اندازی و شل بودن قطعات ساختاری آماده شود. موا...

سازنده زنجیره انتقال نحوه نگهداری زنجیر را معرفی می کند

سازنده زنجیره انتقال نحوه نگهداری زنجیر را معرفی می کند

هنگامی که زنجیر تحت درمان ضد زنگ قرار می گیرد تا فرآیند کار حل شود، ابتدا باید خمیر ترشی را روی سطح آن پاک کنید و اطمینان حاصل کنید که ضخامت پوش...

چرا زنجیره برگ مشکلات رایج انحراف دارد؟

چرا زنجیره برگ مشکلات رایج انحراف دارد؟

با روند توسعه مداوم در زمینه زنجیره فولاد ضد زنگ، محصولات زنجیره ای فولاد ضد زنگ نیز به طور گسترده مورد استفاده قرار گرفته اند. در میان آنها، زن...

جزئیات تعمیر و نگهداری روزانه زنجیره صنعتی

جزئیات تعمیر و نگهداری روزانه زنجیره صنعتی

زنجیره صنعتی است مزایا و جزئیات نگهداری روزانه: 1. اگر زنجیر درایو خارج از جهت است، شفت کشش را در یک انتهای شفت ...

تولید کنندگان زنجیره بی صدا نحوه برخورد صحیح با خطای چرخ دنده فولادی ضد زنگ را معرفی می کنند

تولید کنندگان زنجیره بی صدا نحوه برخورد صحیح با خطای چرخ دنده فولادی ضد زنگ را معرفی می کنند

زنجیر بی صدا سازندگان نحوه برخورد صحیح با خطای چرخ دنده فولادی ضد زنگ را معرفی می کنند؟ حرکت افقی درام چرخ دنده فولادی ...

تولید کنندگان زنجیر موتور سیکلت روش های رایج عیب یابی چرخ دنده را معرفی می کنند

تولید کنندگان زنجیر موتور سیکلت روش های رایج عیب یابی چرخ دنده را معرفی می کنند

زنجیر موتور سیکلت سازندگان روش های رایج عیب یابی چرخ دنده را معرفی می کنند: 1. دلیل ظرفیت باربری ناهموار یک چرخ دنده فو...

Roller Chain Manufacturers نحوه برخورد صحیح با خطاهای چرخ دنده را معرفی می کند

Roller Chain Manufacturers نحوه برخورد صحیح با خطاهای چرخ دنده را معرفی می کند

هنگامی که چرخ دنده فولادی ضد زنگ دارای خطا است، نباید برای حل آن عجله کنیم. بیایید دنبال کنیم زنجیر غلتکی تولیدکنندگان به درستی خطای ...

تولید کنندگان زنجیر درایو نحوه برداشتن سریع یاتاقان زنجیری آسیب دیده را معرفی می کنند

تولید کنندگان زنجیر درایو نحوه برداشتن سریع یاتاقان زنجیری آسیب دیده را معرفی می کنند

زنجیره رانندگی سازندگان نحوه حذف سریع یاتاقان چرخ دنده آسیب دیده را معرفی کردند: 1. به تدریج درپوش های انتهایی و درپوش های پ...

تولید کننده زنجیره کشاورزی روش انتخاب زنجیره را معرفی می کند

تولید کننده زنجیره کشاورزی روش انتخاب زنجیره را معرفی می کند

زنجیره کشاورزی سازنده روش انتخاب زنجیر را معرفی می کند: اول از همه، این انتخاب مواد زنجیره ای فولاد ضد زنگ است. طبق استاندار...

سازنده زنجیر انتقال نحوه نگهداری زنجیر را معرفی می کند

سازنده زنجیر انتقال نحوه نگهداری زنجیر را معرفی می کند

زنجیره انتقال سازنده نحوه نگهداری زنجیره را معرفی می کند: 1. سفت بودن چرخ دنده باید مناسب باشد. سفت بودن بیش از حد مصرف برق را ا...